Enrouleur de tuyau gris avec rappel par ressort et guide- tuyau - pour tuyau de 13 m, 3/4"
- Produit
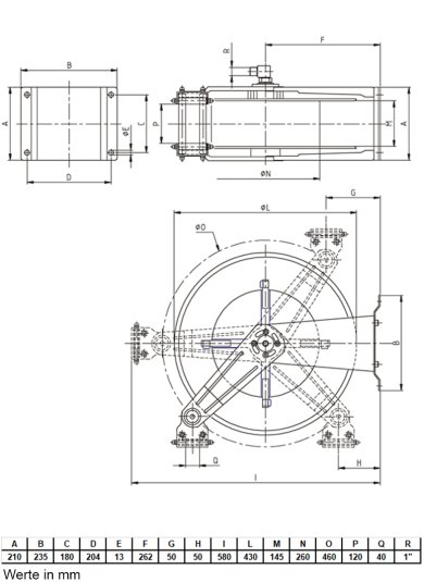
- 1918P
- Description:
- Enrouleur de tuyau automatique avec guide-tuyau. Construction en acier peint, exécution rigide sans tuyau
- Domaines d'utilisation:
- Atelier, industrie, industrie agroalimentaire, outils à air comprimé, nettoyage, curage des égouts, air et eau, équipements de travail, garages, lave-auto, montage électrique, cuisines commerciales, écoles, élevage d'animaux, jardinage, maintenance aéronautique, agriculture, menuiserie, construction, exploitation minière, commerce de pneus
- Caractéristiques:
- Pression de service 100 bar
- Largeur du tambour:
- 210 mm
- Convient:
- Tuyau Ø-exterieur: 28 mm - longueur du tuyau: max. 13 m
- Légende:
- Autres modèles sur demande
Enrouleur de tuyau gris avec rappel par ressort et guide- tuyau - pour tuyau de 13 m, 3/4"
-
- Article
- SR.3413
- Entrée (pouces)
- AG 1"
- Sortie (pouces)
- AG 3/4"
- Disponibilité
-